蒸汽喷射器是一款采用高压蒸汽生产真空的装置。蒸汽喷射器的优点是操作简便,无需机械装置,无需移动零部件。
普通蒸汽喷射器主要由喷嘴(2)、雾化器3)和扩压器等3部分组成。蒸汽喷射器的基本工作原理在图1中进行说明。
- 名称
1. 蒸汽室
2. 喷嘴
3. 雾化器
4. 扩压器入口
5. 扩压喉
6. 扩压器出口
 
高压蒸汽由蒸汽室(1)供应并通过喷嘴(摩擦控制在3.0或4.0的渐缩&渐扩喷嘴)扩大,然后动力蒸汽依靠雾化器喷射。
   
最低静压(同吸入压力Ps几乎对等)、吸入液进入雾化器(3)后在扩压器入口处同动力蒸汽混合。动力蒸汽的动能再通过扩压吼以吸入液的形式传送。ȴ.
- 设计要素
Pm : 动力压力
Ps : 吸入压力
Pd : 排出压力
Mm : 动力蒸汽流动速度
MS : 吸入流速
α = Pm/Ps : 扩大比
K = Ps/Pd : 压缩比
u = Ms/Mm : 流动比
 
动力蒸汽和吸入液混合物通过扩压器出口(6)将动能转化成压力能量(再次压缩排出压力Pd)。
流体&热工程通过研究大大改善了蒸汽喷射器的设计和实验结果。
右侧图显示在扩压器入口处用电脑计算出来的吸入容量。右侧图中的吸入容量为55kg/hr,这是曲线的最小值。出现最小值时产生涡电流,吸入功能会突然降低。(上田教授)
 
   
 
- 蒸汽喷射器的优点
构造简单、无故障
维修费用低、使用寿命长
无需机械装置和移动零部件
安装费用低
无容量限制
防爆结构
   
   
喷射器的种类及设计  
    Liquid jet Steam jet Gas jet
Liquid ejector Liquid jet
liquid ejector
Steam jet
liquid ejector
Gas jet
liquid ejector
Gas ejector Ventilator Liquid jet ventilator Steam jet ventilator Gas jet ventilator
Compressor Liquid jet
compressor
Steam jet
compressor
Steam jet
compressor
Vacuum ejector Liquid jet
vacuum ejector
Steam jet
vacuum ejector
Gas jet
vacuum ejector
Solid Liquid jet
solid ejector
Steam jet
solid ejector
Gas jet
solid ejector
- 蒸汽喷射器(steam ejector)
  适用于下列领域。

蒸汽发电厂: 表面凝缩器用真空泵
石油化学: 蒸馏、脱臭工厂
合成纤维: 涤纶纤维的综合反应
食品: 真空干燥机
造纸: 热压缩机
造船: 原油清仓泵
LPG进口基地: 喷气凝汽机
钢铁: RH, DH, TD, LD的除气装置
环境: 热压缩机
制药: 冻结干燥
 
- 驱动流体
蒸汽 < 2.0kg/cm² abs
空气 < 1.0kg/cm² abs
水 < 3.0kg/cm² abs
LPG < 4.0kg/cm² abs
压缩空气
 

韩国技术社是一家高性能工业用蒸汽喷射器领域的先导企业。
公司具有全套的设计、生产、实验设备,为实现顾客满足和为顾客创造价值,我们正在努力营造最佳的制造环境。

 
典型的蒸汽喷射器系统由同以前凝结喷射器级数组合排出的压缩水蒸汽相关的喷射器凝汽器和一个或一个以上的蒸汽喷射器组成。
 
- 喷射系统设计
U 级: 4th 加压泵
V 级: 3rd 加压泵
W 及 2nd 加压泵
X 及: 1st 加压泵
Y 及: 1st 喷射器
Z 及: 2nd 喷射器
XY 凝汽器: 1st 中间冷凝器
YZ 凝汽器: 2nd 中间冷凝器
WRVP: 水环式真空泵
 
- 用语定义
绝对压力
吸入压力
排出压力
挡板吸入压力
稳定工作
吸入气体温度
干燥空气
空气同类气体
设计点
动力压力
蒸汽消耗
排放喷射器
消音器
分子量
热压缩机
加压泵
* 喷射器相关用语依据DIN24290决定
 
 
 
   
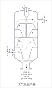
接触式或大气压凝汽器  
接触式凝汽器利用同冷却水直接接触为有效压缩蒸汽和其他压缩蒸汽进行干燥。压缩的蒸汽和冷却水分为中间流动和平行流动两种形态。
 
 
壳式和管式(表面)凝汽器  
壳式和管式(表面)凝汽器没有混合蒸汽和冷却水的工程,不会污染冷却水。 下面图中壳式和管式热交换机是为壳或管侧的凝缩特别采用的。如果附着物少,则壳体侧凝缩低;否则有利于清洗因凝缩蒸汽堵塞造成的管侧易于凝缩的机器。采用固定型、U型和浮头式管等各种管路。