工作原理
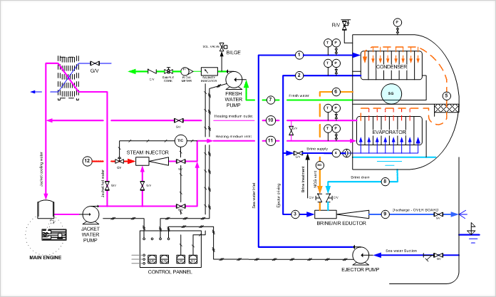
为在船舶或岛屿等孤立的场所得到引用或洗漱用淡水需要用真空蒸馏装置。DHP真空蒸发蒸馏器以DHP的钛板热交换机为基础。一个用于蒸发加热的盐水,一个用于凝缩水蒸汽。真空室依靠从同冷凝器相连的喷射器中驱动的海水维持。加热的海水作为蒸发用供应水使用,蒸发温度依靠真空压力进行调节。蒸发蒸馏水通过变流装置、除雾器和流动的水珠,然后进入冷凝器。蒸馏水的蒸汽依靠冰凉的海水凝缩。蒸馏的蒸馏水依靠淡水泵输送到外部的泵并确认盐分。如果盐分超过一定的水平,淡水泵排出生产线中的电磁阀会自动打开。超过蒸馏水的盐分会重新流会蒸馏室。详细事宜请参照设计图。
 
种类
   
1-5TPD   10-15TPD   18-30TPD
 
< 单向淡水发电机流程图>